Grooved flexible coupling is a pipe fitting used for connecting pipes in a piping system. Flex couplings offer flexibility, allowing for axial displacement and angular deflection of the connected pipes, making the pipeline system more flexible. They are suitable for situations where pipes may become asymmetric or deformed due to temperature variations, vibrations, noise, etc., and can also be used to design curved pipe layouts.
Grooved flexible couplings are suitable for connecting medium-pressure piping systems, such as process pipelines, mining and oil field pipelines, etc.




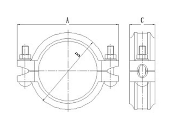
| Nominal Size | Pipe OD | Dimensions | Bolt Size | ||
| mm/in | mm/in | mm/in | No.-Size mm  | ||
| A mm  | B mm  | C mm  | |||
| 25/1 | 33.7/1.327 | 58/2.28 | 98/3.85 | 45/1.77 | 3/8*45-2 | 
| 32/(1 1/4) | 42.4/1.669 | 68/2.68 | 106/4.17 | 45/1.77 | 3/8*45-2 | 
| 40/(1 1/2) | 48.3/1.9 | 74/2.91 | 114/4.49 | 45/1.77 | 3/8*45-2 | 
| 50/2 | 60.3/2.375 | 86/3.39 | 126/4.96 | 45/1.77 | 3/8*55-2 | 
| 65/(2 1/2) | 73/2.875 | 98/3.86 | 137/5.39 | 45/1.77 | 3/8*55-2 | 
| 65/(2 1/2) | 76.1/3 | 98/3.86 | 140/5.51 | 45/1.77 | 3/8*55-2 | 
| 80/3 | 88.9/3.5 | 111/4.37 | 158/6.22 | 45/1.77 | 3/8*55-2 | 
| 100/4 | 108/4.25 | 130/5.11 | 180/7.09 | 49/1.93 | 1/2*65-2 | 
| 100/4 | 114.3/4.5 | 141/5.55 | 186/7.32 | 49/1.93 | 1/2*65-2 | 
| 125/5 | 133/5.25 | 164/6.46 | 216/8.5 | 50/1.96 | 1/2*75-2 | 
| 125/5 | 139.7/5.5 | 168/6.61 | 222/8.74 | 50/1.96 | 1/2*75-2 | 
| 125/5 | 141.3/5.563 | 172/6.77 | 222/8.74 | 50/1.96 | 1/2*75-2 | 
| 150/6 | 159/6.25 | 190/7.48 | 236/9.29 | 50/1.96 | 1/2*75-2 | 
| 150/6 | 165.1/6.5 | 196/7.71 | 244/9.61 | 50/1.96 | 1/2*75-2 | 
| 150/6 | 168.3/6.625 | 197/7.76 | 244/9.61 | 50/1.96 | 1/2*75-2 | 
| 200/8 | 219.1/8.625 | 251/9.88 | 318/12.52 | 58/2.28 | 5/8*95-2 | 
| 250/10 | 273/10.75 | 318/12.51 | 386/15.20 | 60/2.36 | 3/4*110-2 | 
| 300/12 | 323.9/12.75 | 372/14.64 | 454/17.87 | 64/2.51 | 3/4*120-2 |