Grooved reducing flexible coupling is a pipe fitting made of ductile iron. It features a flat-bolted housing structure with a certain gap between the joint and the groove base, allowing for flexible connections and the ability to accommodate axial displacement and angular deflection. The grooved reducing flexible coupling can replace two separate couplings and one reducer fitting.
Grooved reducing flexible coupling can be used for various pipelines, such as sewage pipes, water supply pipes, etc.



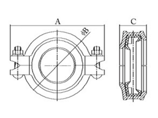
| Nominal Size | Pipe OD | Dimensions | Bolt Size | ||
| mm/in | mm/in | mm/in | No.-Size mm | ||
| A | B | C | |||
| 50x32 / 2x1 1/4 | 60.3x42.4 / 2.375x1.660 | 86 / 3.39 | 125 / 4.93 | 44 / 1.74 | 2-3/8x55 / 2-M10x57 | 
| 50x40 / 2x1 1/2 | 60.3x48.3 / 2.375x1.900 | 86 / 3.39 | 125 / 4.93 | 44 / 1.74 | 2-3/8x55 / 2-M10x57 | 
| 65x40 / 2 1/2x1 1/2 | 73.0 x 48.3 / 2.875x1.900 | 96 / 3.78 | 136 / 5.35 | 45 / 1.78 | 2-3/8x55 / 2-M10x57 | 
| 65x50 / 2 1/2x2 | 73.0x60.3 / 2.875x2.375 | 96 / 3.78 | 136 / 5.35 | 45 / 1.78 | 2-3/8x55 / 2-M10x57 | 
| 65x50 / 2 1/2x2 | 76.1 x60.3 / 3.000x2.375 | 102 / 4.02 | 140 / 5.51 | 45 / 1.78 | 2-3/8x55 / 2-M10x57 | 
| 80x40 / 3x1 1/2 | 88.9x48.3 / 3.500x1.900 | 115 / 4.53 | 158 / 6.22 | 45 / 1.78 | 2-1/2x70 / 2-M12x70 | 
| 80x50 / 3x2 | 88.9x60.3 3.500x2.375 | 115 / 4.53 | 158 / 6.22 | 45 / 1.78 | 2-1/2x70 / 2-M12x70 | 
| 80x65 / 3x2 1/2 | 88.9x73.0 / 3.500x2.875 | 115 / 4.53 | 158 / 6.22 | 45 / 1.78 | 2-1/2x70 / 2-M12x70 | 
| 80x65 / 3x2 1/2 | 88.9x76.1 / 3.500x3.000 | 115 / 4.53 | 158 / 6.22 | 45 / 1.78 | 2-1/2x70 / 2-M12x70 | 
| 100x40 / 4 x1 1/2 | 114.3x48.3 / 4.500x1.900 | 142 / 5.59 | 192 / 7.56 | 50 / 1.97 | 2-1/2x70 / 2-M12x70 | 
| 100x50 / 4x2 | 114.3x60.3 / 4.500x2.375 | 142 / 5.59 | 192 / 7.56 | 50 / 1.97 | 2-1/2x70 / 2-M12x70 | 
| 100x65 / 4x2 1/2 | 114.3x73.0 / 4.500x2.875 | 142 / 5.59 | 192 / 7.56 | 50 / 1.97 | 2-1/2x70 / 2-M12x70 | 
| 100x65 / 4x2 1/2 | 114.3x76.1 / 4.500x3.000 | 142 / 5.59 | 192 / 7.56 | 50 / 1.97 | 2-1/2x70 / 2-M12x70 | 
| 100x80 / 4x3 | 114 3x88.9 / 4.500x3.500 | 142 / 5.59 | 192 / 7.56 | 50 / 1.97 | 2-1/2x70 / 2-M12x70 | 
| 150x80 / 6x3 | 165.1x88.9 / 6.500x3.500 | 200 / 7.87 | 250 / 9.84 | 50 / 1.97 | 2-5/8x85 / 2-M16x85 | 
| 150x100 / 6x4 | 165.1 x114.3 / 6.500x4.500 | 200 / 7.87 | 250 / 9.84 | 50 / 1.97 | 2-5/8x85 / 2-M 16x85 | 
| 150x80 / 6x3 | 168.3x88.9 / 6.625x3.500 | 202.5 / 7.97 | 252 / 9.92 | 50 / 1.97 | 2-5/8x85 / 2-M16x85 | 
| 150x 100 / 6x4 | 168.3 x 114.3 / 6.625x4.500 | 202.5 / 7.97 | 252 / 9.92 | 50 / 1.97 | 2-5/8x85 / 2-M16x85 | 
| 200x150 / 8x6 | 219.1 x 165.1 / 8.625x6.500 | 257 / 10.12 | 322 / 12.68 | 56 / 2.2 | 2-3/4x115 / 2-M20x 115 | 
| 200x150 / 8x6 | 219.1x168.3 / 8.625x6.625 | 257 / 10.12 | 322 / 12.68 | 56 / 2.2 | 2-3/4x115 / 2-M20x115 |